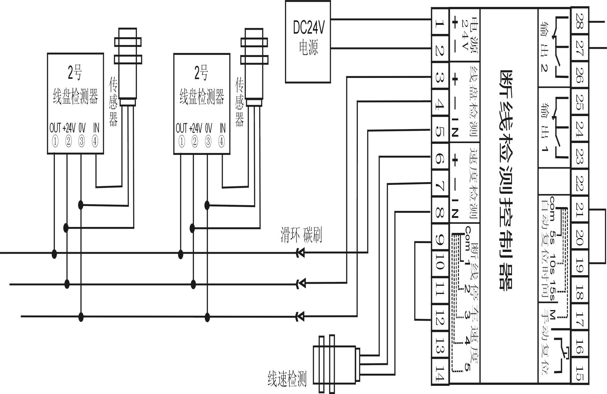
框绞机断线检测系统.jpg

上传:jxljg 时间:2013/4/10 22:30:33
出处:[ 点击查看 ]
大小:273.17 KB
页数:0   下载:0

需:


评论 下载后评论。

你尚未登录。

0评论 0

无评论。