首页 > 汽车线缆
[汽车电线] 汽车电线发烟曲线浅析
P:2019-09-06 14:18:01
1

把汽车电线的确定额定电流,和极限过载电流的理论依据和计算方法作为正文,并给出了相应的参数。
标准正文不再直接给出各种型号汽车电线的额定电流和极限过载电流的结果,只在附录中给出一个AVSS型电线的结果示例。
标准不再把发烟作为绝缘材料失效模式的唯一现象,增加了热变形作为一种失效模式的现象。这是因为经过多年的研究发现并不是所有材料都发烟。而热变 形是无法用肉眼观察获得的
标准直接给出了不同型号电线绝缘材料可耐受的长期工作温度和瞬间过载电流的最高温度。这些理论上可以通过通过不同温度的发烟和热变形测试而获得, 但实际并非能简单获得可靠的数据。
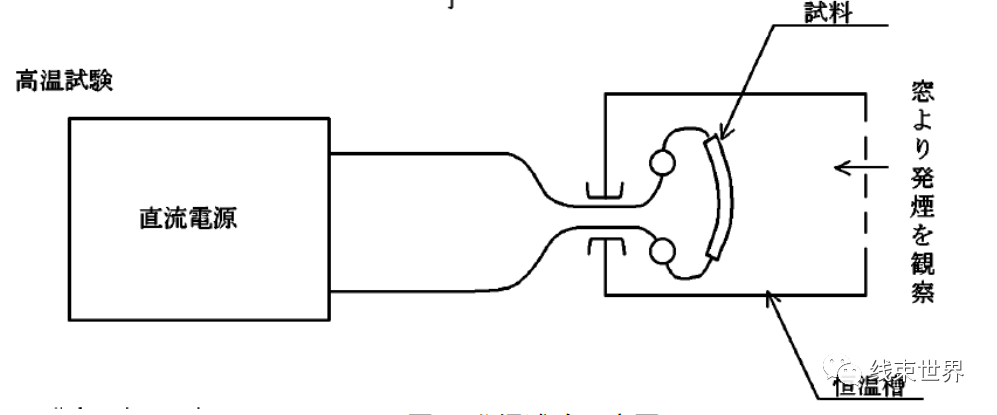
三、发烟试验存在的问题和分析
经过实践证明,发烟试验可操作性不高,往往得不到准确可靠的结果。主要问题如下:
正如标准最新版本所述,所谓发烟主要集中在PVC材料,很多材料并不发烟 或发烟不明显,如硅橡胶材料,低烟无卤材料等。
发烟不是瞬间发生的,它有一个逐渐的过程,没有一个明显的界定点,导致操 作者无法清楚判定。
由于造成汽车电线的升温的热源是由导体产生的,所以绝缘的温度上升是由里 到外的(见图2)。当观察到发烟时,往往接近导体的部位已经超过绝缘材料允许的过载温度。这种情况对于小截面薄壁电线不太明显,上可以容忍,但对于大截面厚壁电线,特别是带护套带屏蔽的电缆,影响就比较大了,会产生过于乐观误导的结果。

black neoprene jacket - 黑色氯丁橡胶护套 (0) 投诉
15

你需要登录才能发表,点击登录。