电线电缆网 > 连接器 插头附件 > 很全的压接端子介绍(完整版)
很全的压接端子介绍 - 无图版
yvhkdv --- 2020-03-12 08:44:06
1
压接端子简介
电器元件的接线柱或者接线端子排上接线柱的,是经过螺丝带压口压紧固定的压接端子。压接端子是用于实现电气连接的一种配件产品,工业上划分属于连接器。随着工业自动化程度的提升以及越发严格、精确的工业控制要求,接线端子的需求量逐渐加大。
电子行业的突飞猛进,使得接线端子的使用范围越来越广、种类越来越多。接线端子可以分为WUK接线端子、欧式接线端子系列、插拔式接线端子系列、变压器接线端子、建筑物布线端子、栅栏式接线端子系列、弹簧式接线端子系列、轨道式接线端子系列、穿墙式接线端子系列,光电耦合型接线端子系列、110端子、205端子、250端子、187端子、OD2.2圆环端子、2.5圆环端子、3.2圆环端子、4.2圆环端子、2,圆环端子、6.4圆环端子、8.4圆环端子、11圆环端子、13圆环端子旗型系列端子和护套系列、各类环形端子、管形端子、接线端子、铜带铁带(2-03、4-03、4-04、6-03、6-04)等。目前用得最广泛的是PCB板端子、五金端子、螺帽端子、弹簧端子。由于接线端子的应用广泛,线缆行业朋友圈小编特意归纳和整理了接线端子的相关知识内容,以便大家收藏读阅。

01
第一节:端子产品应用

1.1 3C 产品端子
(2) 资讯产品
A. 个人PC桌上型电脑:内部之电源供应器、不断电电源供应器(UPS)。
B. 工业电脑:内部之主机板、及机电控制板。
C. 周边设备:如扫描器、印表机、影印机。
(2) 通讯产品
A. 有线传输及终端的控制系统与设备:如电子交换机之电源供应器、电话线之连接器。
B. 无线传输及终端对控制系统与设备:如基地台传输设备、交换机之电源供应器。
(3) 消费性电子产品:主要供应于全球之各种视讯、音讯及家电产品。
A. 视讯产品包含电视机、录放影机及摄录影周边配件。
B. 音讯产品包含家用音响、携带型音响及汽车音响。干衣机、微波炉、烤箱、电扇、电热器、洗碗机、运动器材、卫浴控制系统。
未来消费性电子产品的趋势将结合视听、通讯及资讯科技,即所谓的3C整合。
1.2 电子产品用端子
(1)配电系统中之输电系统及变压系统:用于发电厂、传输设备、中继站到工厂、住家大楼、公共建筑及工业设备等。
(2) 控制系统:各类产业中机械设备及电梯、自动化设备…等。
1.3 运输工具用端子
(1)广泛应用于飞机、船舶及各式车辆、电动车之电力及仪表板之信号传输。
(2) 高铁、捷运之机电系统
02
第二节:端子类型


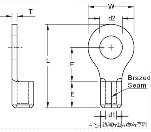
端子类型(压接端子-I)

端子类型(压接端子-II)

端子类型(对插或速断式端子-I)

端子类型(对插或速断式端子-II)

端子类型(圆管端子)

绝缘类型

绝缘类型

端子大小

配线范围(线规对照表)

线径、容许电流及适用端子表

配线范围


螺丝孔径


03

裸压OT端子



预绝缘U型端子



预绝缘管状端子


04
压着技术


压着工具压着机

压着工具 压着机—手动工具

压着工具 压着机—气动工具

压着工具 压着机—液压工具

压着工具 压着机—半自动压着机

压着工具 压着机—全自动压着机

05
机械性能-压接强度

现有端子和线材拉拔力测试表(数据来源:AMP/MOLEX/JST

06
接线端子的常见故障和问题
接线端子从使用角度讲,应该达到的功能是:接触部位该导通的地方必须导通,接触可靠。绝缘部位不该导通的地方必须绝缘可靠。接线端子常见的致命故障形式有以下三种:
1.接触不良的问题
接线端子内部的金属导体是端子的核心零件,它将来自外部电线或电缆的电压,电流或信号传递到与其相配的连接器对应的接触件上。故接触件必须具备优良的结构,稳定可靠的接触保持力和良好的导电性能。由于接触件结构设计不合理,材料选用错误,模具不稳定,加工尺寸超差,表面粗糙,热处理电镀等表面处理工艺不合理,组装不当,贮存使用环境恶劣和操作使用不当,都会在接触件的接触部位和配合部位造成接触不良。
2.绝缘不良的问题
绝缘体的作用是使接触件保持正确的位置排列,并使接触件与接触件之间,接触件与壳体之间相互绝缘。故绝缘件必须具备优良的电气性能,机械性能和工艺成型性能。特别是随着高密度,小型化接线端子的广泛使用,绝缘体的有效壁厚越来越薄。这对绝缘材料,注塑模具精度和成型工艺等提出了更苛严的要求。由于绝缘体表面或内部存在金属多余物,表面尘埃,焊剂等污染受潮,有机材料析出物及有害气体吸附膜与表面水膜融合形成离子性导电通道,吸潮,长霉,绝缘材料老化等原因,都会造成短路,漏电,击穿,绝缘电阻低等绝缘不良现象。
3.固定不良的问题
绝缘体不仅起绝缘作用,通常也为伸出的接触件提供精确的对中和保护,同时还具有安装定位,锁紧固定在设备上的功能。固定不良,轻者影响接触可靠造成瞬间断电,严重的就是产品解体。解体是指接线端子在插合状态下,由于材料,设计,工艺等原因导致结构不可靠造成的插头与插座之间,插针与插孔之间的不正常分离,将造成控制系统电能传输和信号控制中断的严重后果。由于设计不可靠,选材错误,成型工艺选择不当,热处理,模具,装配,熔接等工艺质量差,装配不到位等都会造成固定不良。
此外,由于镀层起皮,腐蚀,碰伤,塑壳飞边,破裂,接触件加工粗糙,变形等原因造成的外观不良,由于定位锁紧配合尺寸超差,加工质量一致性差,总分离力过大等原因造成的互换不良,也是常见病,多发病。这几种故障一般都能在检验及使用过程中及时发现剔除。
如何检测接线端子短路故障
导线及接线端子的故障也可能是由于线束与车身(地线)之间或在有关开关内部短路所造成的。检查前应首先看在车身的端子固定是否牢靠,然后便可按下列步骤进行测试。
1、检查电线通断
首先拆下控制电脑ECU和传感器两侧的接线端子,再测量端子相应端子间的电阻。如电阻值不大于1欧姆,则说明电线正常,以便进行下一步检查。在测量导线电阻时,最好在垂直和水平两个方向轻轻摇动导线以提高测量的准确性,同时注意,对大多数导线端子、万用表表棒应从连接器的后端插入,但是对于装有防水套的防水型接线端子表棒就不能从后端插入,因为在插入时稍不小心便会使端子变形。
2、短路的电阻值检查
首先拆下控制电脑ECU和传感器两侧的导线接线端子,再测量两侧连接器各端子排与车身间的电阻值。测量时,表棒一端搭铁接车身,另一端要分别在两侧导线连接器上进行测量,如果电阻值大于1欧姆则说明该电线与车身无短路故障。
3、端子外观及接触压力检查
首先应逐一拆下各端子,检查连接器端子上有无锈触和脏污,对锈蚀和脏污应清理。然后检查端子片是否松动或损坏,端子固定是否牢靠,在轻轻拉动时端子应无松动现象。反之,如果在哪一个座孔中的插头端子拔出时比其它座孔容易,则该座孔可能在使用中会引起接触不良的故障。
接线端子是基础,没有可靠的接线端子,就没有可靠的系统工程。预防和分析是每个企业所必须的过程,通过接线端子可靠性筛选发现各种失效模式和失效机理,可分析出大量经验教训和排除各种隐患,为改进设计、工艺、检验和使用提供科学依据,是修订和制订接线端子技术条件的重要依据,为预防不必要的损失提供了技术保障
jintaolq --- 2020-03-12 11:08:23
2
happyjoe --- 2022-04-07 13:41:22
3