电线电缆网 > 新手区 > 电线包装木线盘(完整版)
电线包装木线盘 - 无图版
sK1993 --- 2023-07-18 11:35:26
1
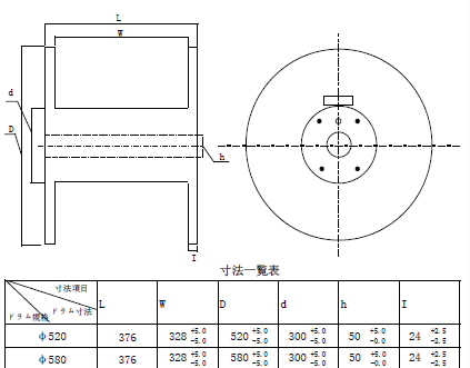
有没有能做这种规格的木线盘的厂家推荐

gwh9645 --- 2023-07-18 14:28:38
2
这个做起来不难,任何做木盘包装的厂家应该都可做,关键是要加点价。

chencadcad --- 2023-07-18 14:50:36
3
数量有多少?
sK1993 --- 2023-07-18 16:31:01
4
gwh9645:这个做起来不难,任何做木盘包装的厂家应该都可做,关键是要加点价。
问了好多家,都说不做这种
sK1993 --- 2023-07-18 16:33:13
5
chencadcad:数量有多少?
一年四十万元左右