电线电缆网 > 连接器 插头附件 > ESATA TO ESTASA 图面(完整版)
ESATA TO ESTASA 图面 - 无图版
LL725 --- 2008-07-11 11:46:16
1

kaka2004 --- 2008-07-11 17:58:51
2
RIGHT ANGLE PLUG很多客人都要,包括USB,RJ45等。
jingping --- 2008-09-28 17:06:24
3
下载了一份,前几天还有客人问我有无该类模具图纸
flf9835 --- 2008-09-29 13:55:42
4
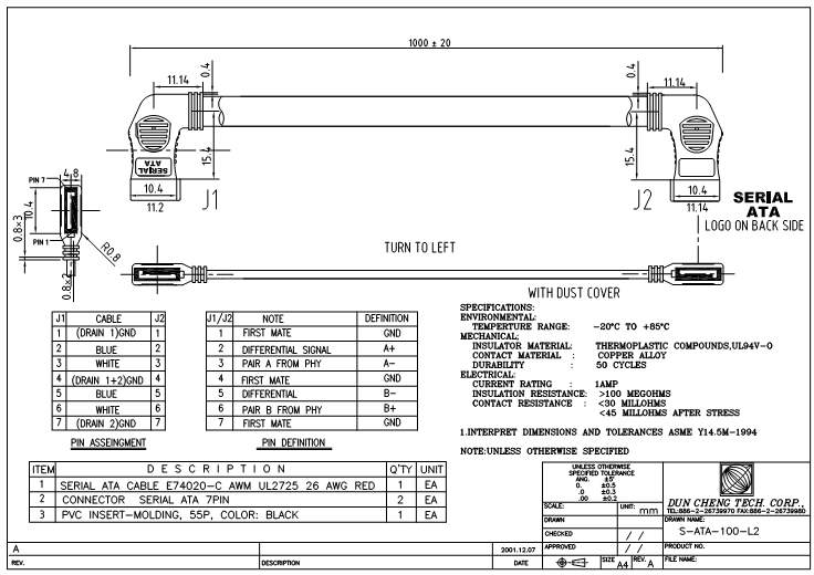
楼主在忽人,这图面明明是SATA 的图面为何标示为ESATA 图面呢,
326714568 --- 2010-11-10 11:50:27
5
忽悠
equity --- 2010-12-24 13:21:02
6
